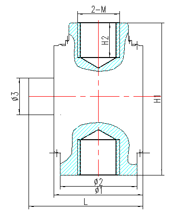
主要外形尺寸:

10~30
50
100
300
H1
114
174
210
H2
25
40
50
L
95
135
140
φ1
71
102
110
φ2
60
88
96
φ3
42
42
42
M
30×2
48×3
56×3